BL 32/220-11/2 – блочный насосный агрегат с соединительным элементом фланцевого типа. Ротор насоса не контактирует с перекачиваемой жидкостью. Корпус и рабочее колесов в стандартном исполнении выполнено из серого чугуна, вал произведен из нержавеющей стали.
- Внутренний номинальный диаметр соединения DN 32
- Внутренний номинальный диаметр рабочего колеса 220
- Номинальная мощность двигателя 11 кВт
- Полюсов электродвигателя - 2
Назначение и применение
Агрегаты такой модели разработаны специально для перекачки воды или гликолевых теплоносителей с содержанием гликоля до 40%. Наличие твердых примесей в рабочей среде не допускается. Насосы используют в системах обогрева, охлаждения и кондиционирования.
Комплект поставки
- Насос
- Инструкция по монтажу и эксплуатации
Основные параметры
- Артикул2786256
- СерияCronoBloc-BL
- Артикул (старый)2121130
Технические данные
- Максимальное рабочее давление‚ бар16
- Вес‚ кг156
- Макс. Напор‚ м в ст70
- Макс. Расход‚ м3/ч43
- Количество ступеней1
- Температура окружающей среды‚ макс.+40 °C
- Стандартное исполнение для рабочего давления Pмакс13 бар (до +140 °C)
16 бар (до +120 °C)
Данные электрооборудования
- Рабочее напряжение380
- Номинальный ток‚ А20.5
- Номинальная мощность двигателя‚ кВт11
- Номинальная частота вращения‚ об/мин2900
- Степень защитыIP 55
- Класс изоляцииF
- Число полюсов2
Материалы
- Корпус насосаСерый чугун (EN-GJL-250)
- Рабочее колесоСерый чугун (EN-GJL-200)
- Вал насосаНержавеющая сталь (1.4122)
- Скользящее торцевое уплотнениеAQEGG
Система управления
- Регулирование частоты вращениянет
Монтаж
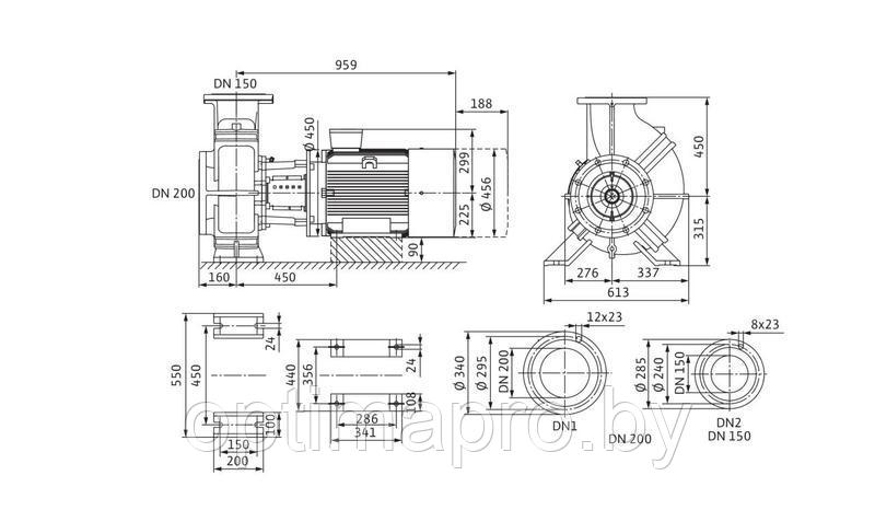
- Номинальный диаметр присоединения по стороне всасыванияDN 50
- Номинальный диаметр присоединения по напорной сторонеDN 32
- Диапазон температур при макс. температуре окружающей среды +40 °C-20...+140 °C (в зависимости от перекачиваемой среды)
- Наличие датчика давлениянет
- Фланцы (по EN 1092-2) PNPN 16
- Диаметр напорного патрубкаDN 32
- Длина без учета упаковки‚ мм841
- Ширина без учета упаковки‚ мм350
- Высота без учета упаковки‚ мм410
- Присоединениефланец
Характеристики
| Основные | |
|---|---|
| Производитель | Wilo |
Информация для заказа
- Цена: Цену уточняйте







Отправка с 30 декабря 2025