Operating Data
| Frequency | 50 | Hz | |
|---|---|---|---|
| Speed | 2750 | 1/min | |
| Shaft Output | 11 | W | |
| Volume Flow | 72 | m³/h | |
| Pressure | Δp s | 137 | Pa |
| Δp t | 180 | Pa | |
| Density | 1.2 | kg/m³ | |
| Sound Pressure | 61 | dB(A) | |
| ErP Compliance |
Curves
System/Plant Parabolatotal / static
Shaft Output [W]
Shaft Output [W]
Volume Flow (m³/h)
Rated Data
| Volume Flow | max. 146 | m³/h | |
|---|---|---|---|
| Pressure Difference Pfa | max. 158 | Pa | |
| Rated Power | 0.05 | kW | |
| Rated Voltage | 202-306/350-530 | V | |
| Rated Current | 0.19/0.11 | A | |
| Speed | 2750 | 1/min | |
| Frequency | 50 | Hz | |
| Protection Type | 54 | ||
| Weight | ca. 2,6 | kg | |
| AC | - | ||
| Three-Phase | - | ||
| Universal Voltage | 50Hz | + | |
| 60Hz | - | ||
| Explosion Protection | - | ||
| Direct Current | - | ||
| Adjustable Frequency | + |

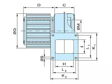
| A | B | C | D | E | F | G | H | I | K1 | K2 | L1 | L2 | M | N | P | Q | R | S | T | T1 | U | V1 | V2 | X |
| 126 | 63 | 60 | 96 | 95 | 48,5 | 108 | 55,5 | 43 | 85 | 85 | 70 | 70 | 67 | M3 | 123 | 0 | 0 | 5,8 | 0 | 0 | 0 | 0 | 0 | 0 |
Характеристики
| Основные | |
|---|---|
| Производитель | S&T |
Информация для заказа
- Цена: Цену уточняйте


