Curves of Nominal Data
Curves
System/Plant Parabolatotal / static
Shaft Output [W]
Shaft Output [W]
Volume Flow (m³/h)
Rated Data
| Volume Flow | max. 12020 | m³/h | |
|---|---|---|---|
| Pressure Difference Pfa | max. 5720 | Pa | |
| Rated Power | 0.250.35 | kW | |
| Rated Voltage | 202-306/350-530202-306/350-530 | V | |
| Rated Current | 1.47/0.851.44/0.83 | A | |
| Speed | 27003100 | 1/min | |
| Frequency | 5060 | Hz | |
| Protection Type | 55 | ||
| Weight | ca. 8,4 | kg | |
| AC | - | ||
| Three-Phase | - | ||
| Universal Voltage | 50Hz | +- | |
| 60Hz | -+ | ||
| Explosion Protection | - | ||
| Direct Current | - | ||
| Adjustable Frequency | + |
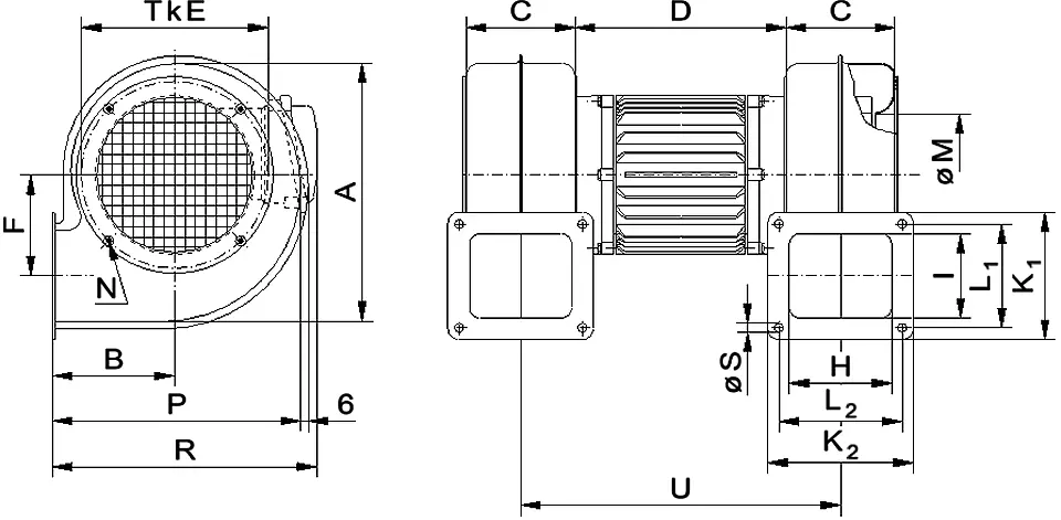
| A | B | C | D | E | F | G | H | I | K1 | K2 | L1 | L2 | M | N | P | Q | R | S | T | T1 | U | V1 | V2 | X |
| 228 | 102 | 100 | 147,5 | 144 | 84 | 0 | 93 | 90 | 130 | 140 | 110 | 120 | 107 | M4 | 218 | 0 | 0 | 9 | 0 | 0 | 0 | 0 | 0 | 0 |
Характеристики
| Основные | |
|---|---|
| Производитель | S&T |
Информация для заказа
- Цена: Цену уточняйте


Отправка с 02 июля 2026