Curves of Nominal Data
Curves
System/Plant Parabolatotal / static
Shaft Output [W]
Shaft Output [W]
Volume Flow (m³/h)
Rated Data
| Volume Flow | max. 1039 | m³/h | |
|---|---|---|---|
| Pressure Difference Pfa | max. 686 | Pa | |
| Rated Power | 0.37 | kW | |
| Rated Voltage | 230/400 | V | |
| Rated Current | 1.48/0.851 | A | |
| Speed | 2820 | 1/min | |
| Frequency | 50 | Hz | |
| Protection Type | 55 | ||
| Weight | ca.18 | kg | |
| AC | - | ||
| Three-Phase | - | ||
| Universal Voltage | 50Hz | - | |
| 60Hz | - | ||
| Explosion Protection | II 2G Ex h IIB T4 Gb | ||
| Direct Current | - | ||
| Adjustable Frequency | - |

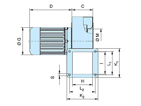
| A | B | C | D | E | F | G | H | I | K1 | K2 | L1 | L2 | M | N | P | Q | R | S | T | T1 | U | V1 | V2 | X |
| 259 | 101 | 94 | 212 | 157 | 98 | 138 | 90 | 100 | 140 | 140 | 115 | 115 | 110 | M5 | 229 | 0 | 0 | 9 | 0 | 0 | 0 | 0 | 0 | 0 |
Характеристики
| Основные | |
|---|---|
| Производитель | S&T |
Информация для заказа
- Цена: Цену уточняйте


Отправка с 02 июля 2026